-
Krister.Şimdiye kadarki lazer hedeflerinin sonuçlarından ne kadar etkilendiğimi söylemek için biraz zaman ayırmak istedim. İşiniz ve çabalarınız için teşekkür ederiz! Son sonucu görmek için sabırsızlanıyorum! -
ChrisHarika, harika müşteri etkileşimi için çok teşekkür ederim Keşke daha fazla şirket sizin adımınızı takip edip müşterileriyle etkileşime girse. -
Yeo.Holografik manzarayı işlevsel olarak aldım. Şu anda manzarayı deniyorum ve reklam edildiği gibi iyi çalışıyor gibi görünüyor.Lenslerde parmak izleri ya da lekeler fark ettim.Değiştirilebilecek ya da geliştirilebilecek bazı küçük şeyler var, ama onları tahmin edeceğim. -
ryanTeşekkür ederim. hassasiyeti ve parametreleri beklentilerimi kusursuz bir şekilde karşılıyor. -
TomasHolografik görüntünüz gerçekten etkileyici. EOTECH'e kesinlikle rakip olabilir.
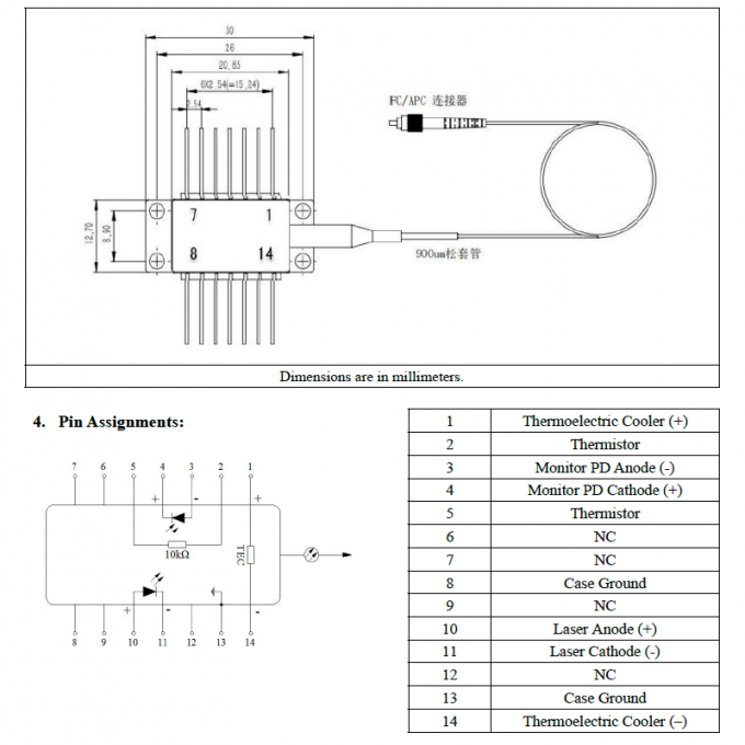
1030 nm 200 mW Tek ve Modlu Lazer Diyot Kelebek Paket, TEC ve İsteğe Bağlı Sürücü ile
Ücretsiz numuneler ve kuponlar için benimle iletişime geçin.
Naber:0086 18588475571
sohbet: 0086 18588475571
Skype: sales10@aixton.com
Herhangi bir endişeniz varsa, 24 saat çevrimiçi yardım sağlıyoruz.
x| Ürün Adı | DFB Kelebek Paketi Fiber Bağlantılı Lazer Diyot Modülü | Dalgaboyu | 1030nm |
|---|---|---|---|
| Çıkış Gücü | 200.0 mW | Lazer modu | CW |
| Giriş voltajı | 5.0VDC | Bağlayıcı | FC/PC, FC/APC, SMA905 |
| Elyaf Tipi | PM980 | Ömür | 10.000 saat |
| Vurgulamak | 1030 nm tek modlu lazer diyot,200 mW kelebek paket lazer,TEC'li fiber lazer modülü |
||
1030 nm 200 mW PM1030 Tek Modlu Lazer Diyot Kelebek Paketi TEC ve Seçenek Sürücü ile
Ürün Tanımı
BuAMLD serisi 1030 nm lazer dioduYüksek performanslı tek modlu bir lazer, hassas uygulamalar için tasarlanmıştır.Çok kuantum kuyusu (MQW) çipbirHermetik olarak mühürlenmiş 14 pinli kelebek paketi, birTermoelektrik soğutucu (TEC),termistor,Monitör fotodiyozu, veOptik izolatör,istikrarlı çıkış, dar hat genişliği ve uzun vadeli güvenilirlik.
Lazer diodesininPM980 kutuplaştırmayı koruyan lifle birleştirilmişve desteklerTemperatür kontrolörü ile isteğe bağlı lazer sürücüsü. Sürücükesin akım ve sıcaklık kontrolüyoluylaRS-232 arayüzüveözel kontrol yazılımı, dış izleme, istikrarlı sabit akım çalışması ve yüksek hassasiyetli sıcaklık yönetimi sağlar.
Bu lazer sistemi,Laboratuvar deneyleri, fiber optik testleri, endüstriyel uygulamalar, ve gerektiren herhangi bir işlemYüksek kararlılık ve tekrarlanabilir performans.
Özellikler
|
Ürünler |
Özellikler |
|
Model Numarası |
DFB Kelebek Paketi Elyaf Bağlı Lazer Diyot Modülü |
|
Dalga boyu |
1030±2nm |
|
Çıkış Gücü |
200mW |
|
Lazer Modu |
CW |
|
Yan moddaki bastırma oranı |
50dB |
|
Kutuplaşma Yok Olma oranı |
≥18dB |
|
Çalışma Voltajı |
5.0V/3A |
|
Nitelikli Gürültü Yoğunluğu |
≤-140dB/Hz |
|
Elyaf Türü |
PM980 |
|
Çalışma sıcaklığı |
-20°C ile 70°C arasında |
|
Boyutları |
30x12mm |
|
Fiber Uzunluğu |
1m |
|
Bağlantı |
FC/PC, FC/APC, SMA905 |
|
Yaşam süresi |
101000 saat |
Özellikleri
● Yüksek performanslıTek mod çıkışıdar çizgi genişliğine sahip
●Istikrarlı ve güvenilir çalışmadeğişen sıcaklık ve çevresel koşullar altında
●EntegreTEC, termistor ve izleyici fotodiyothassas kontrol için
●Fiber çiftleştirilmişOptik sistemlere kolay bir şekilde entegre edilmesi için tasarlanmıştır.
●İsteğe bağlı lazer sürücüsü ve sıcaklık kontrolörü
Başvurular
1030nm DFB Butterfly Paketi TEC ve Seçmeli Sürücü ile lif bağlantılı Lazer Diyot Modülleri:
● Bilimsel Araştırmalar:Dar çizgi genişliği ve istikrarlı çıkış gerektiren interferometri, spektroskopi ve laboratuvar lazer deneyleri için idealdir.
●Fiber Amplifier Pompalama:Optik sinyal güçlendirme ve testinde EDFA ve SOA pompalama için uygundur.
●Fiber Sensing:FBG sensörlerinde ve dağıtılmış fiber sensing sistemlerinde (DTS/DAS) kullanılır.
●Endüstriyel ve Lazer İşleme:Kesin ölçüm, kalibrasyon ve optik enstrümanlama için uygulanabilir.
●Telekomünikasyon ve Optik Ağlar:Fiber optik sistemlerdeki hizalama, test ve sinyal iletimi için.
Ticaret Şartları
1) Ödeme: T / T, PayPal, Western Union, vb.
2) Nakliye:FedEx, DHL, UPS vb.
3) teslim süresi: 5 - 20 gün.
4) Gönderi Şartları: FOB Xi'an Çin
Neden Bizi Seçersiniz?
A20 yıldan fazla lazer deneyimi.
BBüyük ölçekli tesis 4.500 m2 ve 180 profesyonel personel.
CGüvenilirliği garanti etmek için Arima, Osram, Nichia ve diğerlerinden orijinal LD'ler kullanın.
DISO9001: 2008 kalite sistemimiz fabrikasında üretilmiş.
EÜrün FDA, IEC ve GB standartlarına uygun.
FGüçlü tasarım ve üretim yetenekleri, ünlü markaların ortakları.
![]()


